
You can find out more Diagram below
Mercedes W123 Mirror Switch Wiring Diagram
Mercedes 300d Engine Diagram Cool Wiring Diagrams
Mercedes 300d Window Wiring Diagram
Mercedes 300d Engine Diagram Cool Wiring Diagrams
Details About Color Wiring Diagram 11x17 For 1979 Mercedes 240d 280e 280ce 300d 300td
1977 Mercedes 300d Wiring Diagram Wiring Library
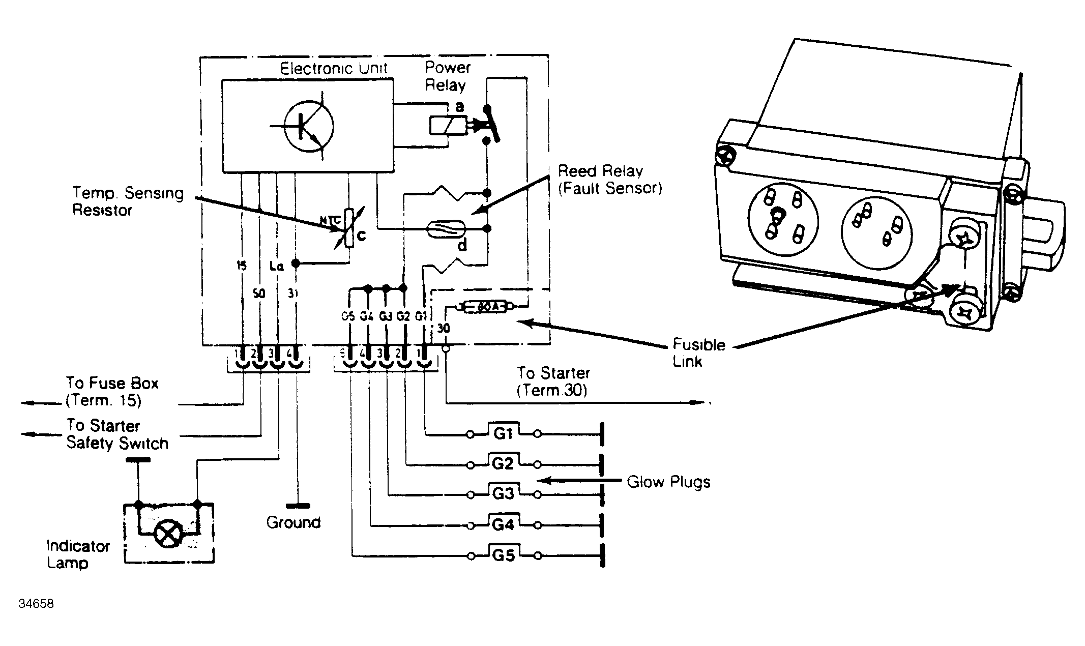
Repair Guides
1983 Mercedes 300d Fuse Diagram Wiring Diagrams Delete
Wiring Diagram 1990 300d Becker 1432 Wiring Diagram W124
240d Light Wiring Diagram Wiring Diagram
Mercedes 300d Wiring Diagram Wiring Diagram
300d Fuse Box Wiring Schematic Diagram
300d Fuse Box Wiring Schematic Diagram
1984 Mercedes 300d Fuse Box Diagram Wiring Diagram
Mercedes 300d Window Switch Wiring Diagram Wiring Library
0 comments:
Post a Comment