
You can find out more Diagram below
2001 Chevy Blazer Power Door Lock Wiring Diagram 2001 Free
Won T Start Without Starting Fluid Or Gas Shot Diy Forums
2001 Chevy S10 4 3 Vacuum Line Diagram Wiring Diagram
1999 Chevy Blazer 4 3l V6 Bad Fuel Line O Ring Youtube
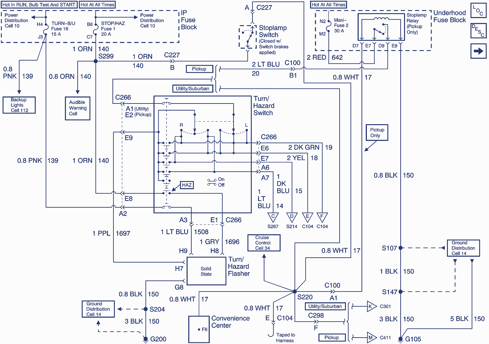
Blazer Wiring Diagram Online Wiring Diagram
Inspired 1998 Lumina Engine Diagram Fluids Wiring Center
How To Install Timing Chain Belt On A Chevy Blazer 2001
Fuse Map Page 242 Circuit Wiring Diagrams
2001 Chevy Cavalier Engine Diagram Shintaries Co
Blazer Motor Diagram 2001 Chevy Blazer 2001 Chevy Motor
Tag Archived Of Circuit Diagram Maker Free Download Ford
2000 Silverado Engine Diagram Wiring Schematic Diagram
2001 Chevy Blazer Fuse Diagram Era Electrical Schemes
2001 Chevy Lumina Fuse Box Diagram Wiring Library
Vortec 4 3 Engine Vac Lines Diagram Downloaddescargar Com
0 comments:
Post a Comment