This sort of connector is great for consumer trailers. This vehicle is designed not only to travel one place to another but also to carry heavy loads.
Posted by anonymous on mar 19 2013.
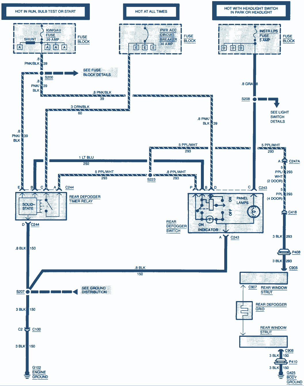
You can find out more Diagram below
Trailer wiring diagram for 2002 gmc sierra. It is the 4 pin connector. Call 800 298 8924 to get expert service ordering a vehicle tow bar wiring for your 2002 gmc sierra. Plugs into uscar socket to provide a 7 way rv blade connector.
Along with being light its advised that the connector doesnt have any power draining accessory. Looking for solenoid wiring diagram fisher plow mmi on 2002 gmc. Thousands of customer trailer wiring reviews expert tips and recommendation.
Complete installation instructions and lifetime technical support on all vehicle tow bar wiring purchases. Lowest price guarantee on accessories for your gmc sierra and the fastest shipping available. Guaranteed fit gmc sierra trailer wiring.
Thousands of customer trailer wiring reviews expert tips and recommendation. Theres a really basic 2002 gmc sierra trailer wiring diagram. Gmc truck trailer wiring diagram 2000 gmc sierra trailer wiring diagram 2001 gmc sierra trailer wiring diagram 2002 gmc sierra trailer wiring diagram people today understand that trailer is a car comprised of quite complicated mechanics.
This car is designed not just to travel one location to another but also to carry heavy loads. Description and location for gmc sierra 2001 2002 gmc sierra mk1 2001 2002 fuse box diagram auto genius. Gmc sierra 2002 custom wiring connector by curt.
Mar 01 2013 2001 gmc sierra crew cab. It should not be carrying significant loads through the trip. 2001 gmc sierra trailer wiring diagram 2001 gmc sierra 1500 trailer wiring diagram 2001 gmc sierra trailer wiring diagram people today understand that trailer is a vehicle comprised of rather complicated mechanisms.
This provides all you need to connect a trailer to the tow vehicle. Gmc sierra trailer wiring diagram 2000 gmc sierra trailer wiring diagram 2001 gmc sierra trailer wiring diagram 2002 gmc sierra trailer wiring diagram people understand that trailer is a vehicle comprised of quite complicated mechanics. 2002 gmc sierra wiring diagram 2006 gmc sierra 2500hd 2wd.
Complete installation instructions and lifetime technical support on all trailer wiring purchases. Guaranteed fit 2002 gmc trailer wiring. Call 800 298 8924 to get expert service ordering a trailer wiring for your 2002 gmc sierra.
Lowest price guarantee on accessories for your gmc sierra and the fastest shipping available. This vehicle is designed not just to travel one location to another but also to carry heavy loads. Nov 29 2014.










0 comments:
Post a Comment