
You can find out more Diagram below
Ford Taurus 1985 1999 Fuse Box Diagram Auto Genius
Mercedes E Class W124 1985 1996 Fuse Box Diagram
Mercedes E Class W124 1985 1996 Fuse Box Diagram
Wrg 2586 1985 Chevy Caprice Fuse Box Diagram
92 Cutlass Supreme Fuse Diagram Wiring Schematic Diagram
Chevrolet Fuse Box Diagram
1983 Caprice Fuse Box Wiring Diagram
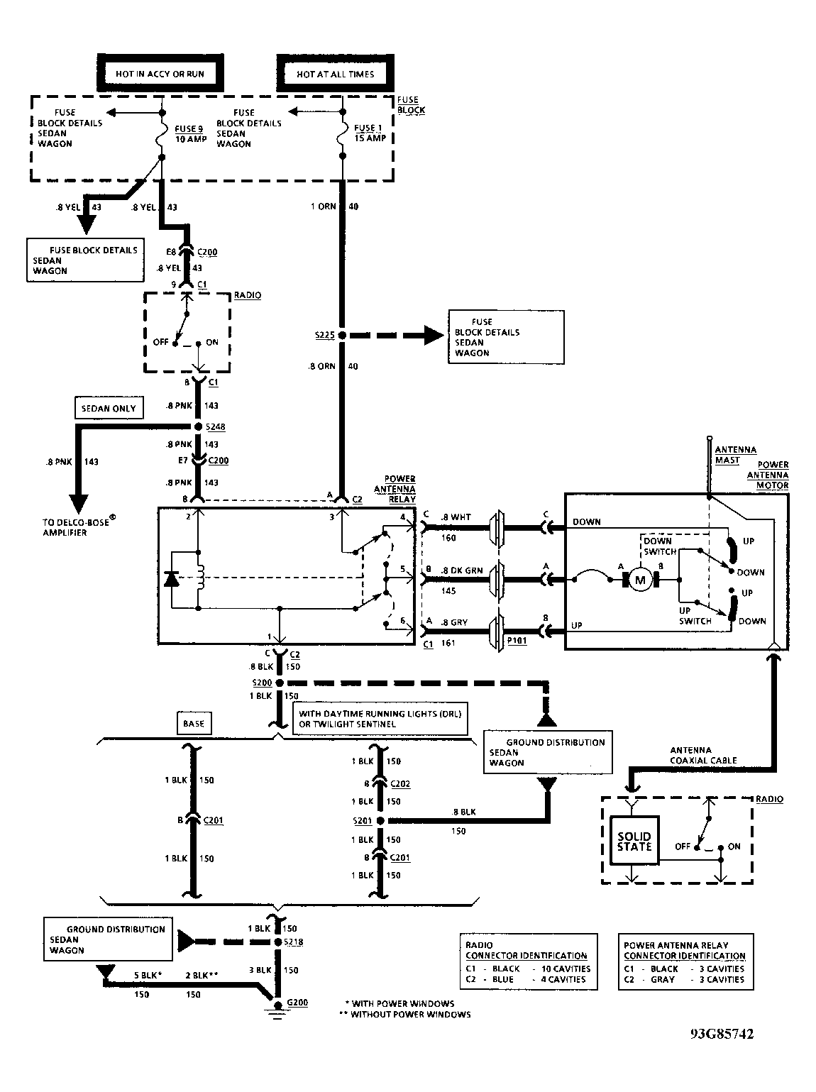
1985 Chevy Caprice Fuse Box Wiring Schematic Diagram
1985 Chevy Camaro Fuse Box Diagram Wiring Diagrams 101
1995 Chevy Caprice Fuse Box Diagram Image Details
Chevy Classic Wiring Diagram 93 Caprice 1986 2005 Malibu
1983 Caprice Fuse Box Wiring Diagram
1985 Chevy Caprice Fuse Box Download Wiring Library
1985 Chevy Caprice Fuse Box Diagram Wiring Schematic
1983 Caprice Fuse Box Wiring Images
0 comments:
Post a Comment