
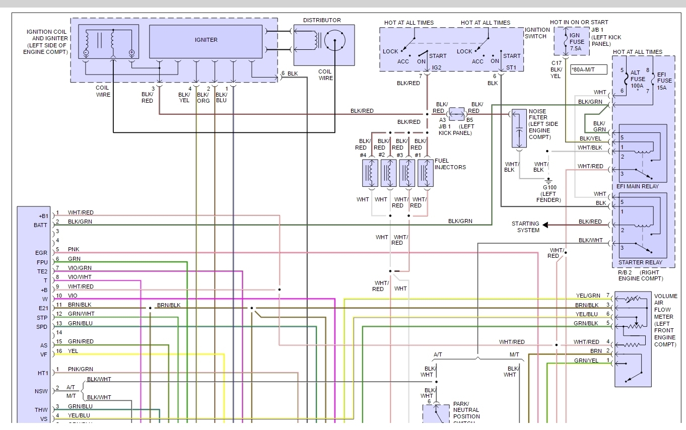
You can find out more Diagram below
Cold Start Injector Low Voltage 22re Yotatech Forums
How Cold Start Injector System Works 22re Liable
Cranks No Start Manufactured 10 1994 Pickup Truck Page 3
Location Of Engine Coolant Temperature Sensor We Checked
Starting A 22 Re Buggy Wiring Write Up Pirate4x4 Com 4x4
How Cold Start Injector System Works 22re Liable
Electrical Question Main Fuse Block
Cranks No Start Manufactured 10 1994 Pickup Truck Page 3
Bad Cold Start Toyota 4runner Forum Largest 4runner Forum
Repair Guides
Lc Engineering Tech Notes
Cold Start Valve
Lc Engineering Tech Notes
86 4runner 22re Cold Start Injector And Time Switch Test
Cranks No Start Manufactured 10 1994 Pickup Truck Cranks
0 comments:
Post a Comment