
You can find out more Diagram below
Volvo D13 Fuse Box Wiring Diagram Centre
70 Luxury Volvo D13 Engine Diagram Ku56328 Autostrach
Fuse Box On Volvo Truck Wiring Diagram
Fuse Box On Volvo Truck Wiring Diagram
Fuse Box On Volvo Truck Wiring Diagram
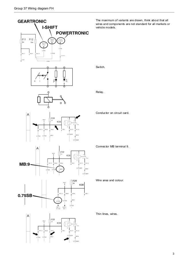
Volvo Wiring Diagram Fh
Volvo Truck Electrical Diagram Wiring Schematic Diagram
Volvo Fm Fh Version 2 Fuses Box Diagram And Relays
Interior Fuse Box Location 2003 2014 Volvo Xc90 2008
Fuse Box Diagram 1994 Chevy Cavlier Digital Resources
Volvo Service Manual Trucks Fm Fh Electrical Connector
Volvo D13 Fuse Box Wiring Diagram Centre
Volvo D13 Fuse Box Wire Diagram Here
2014 Volvo 64 Vnl Fuse Box
Volvo Service Manual Section 3 37 Component Wiring Diagram
0 comments:
Post a Comment